CZL601-Sensor

Beschreibung

Use

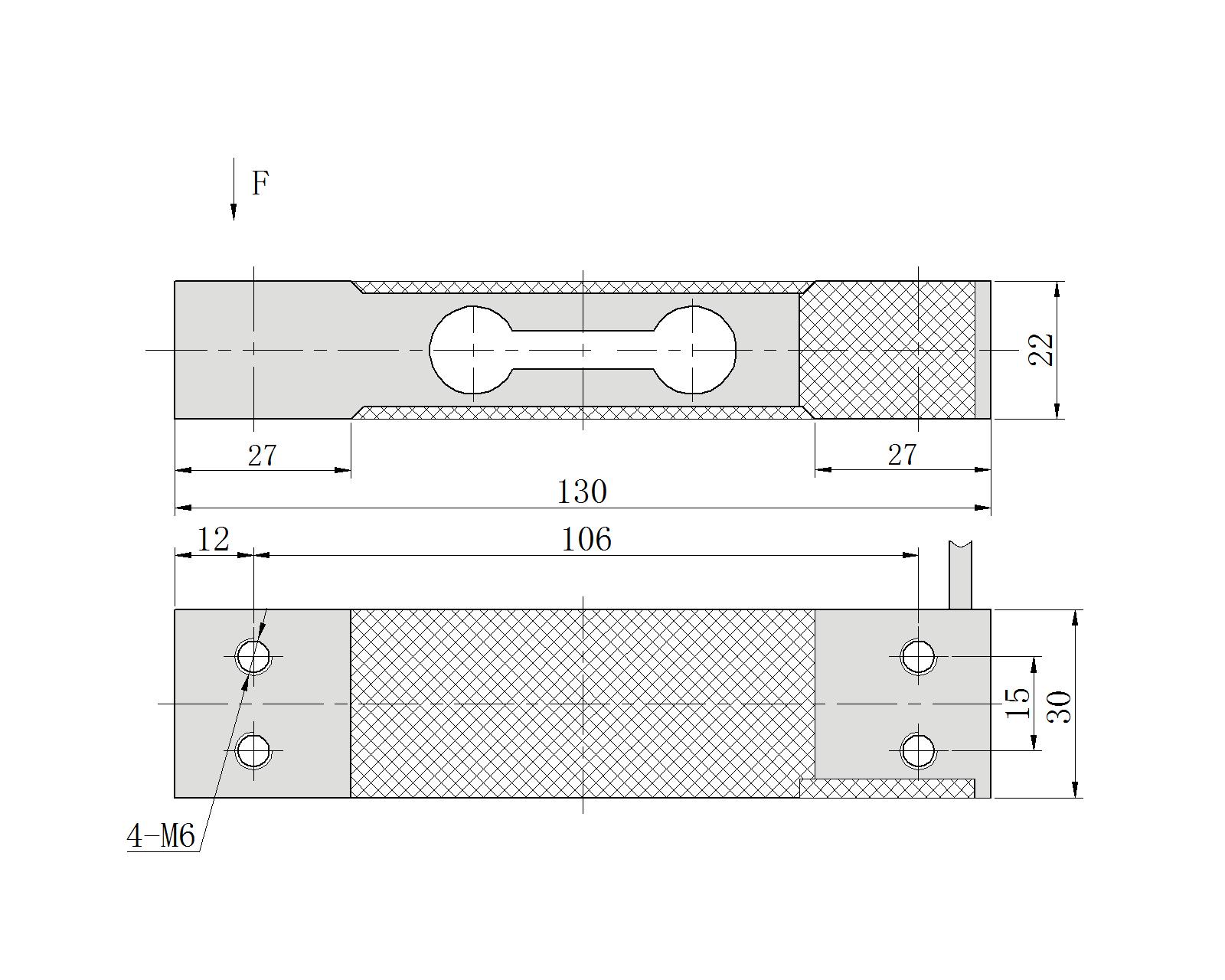
Struktur Diagramm

Parameter