CZL803-Sensor

Beschreibung

Use

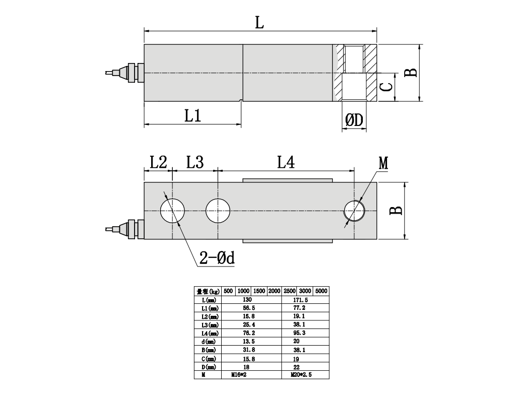
Struktur Diagramm

Parameter